
应用领域:汽车铝压铸壳体类零件的螺孔加工。铝合金箱体类连接螺纹加工。
产品特点:寿命超长,上机连续工作两个月不换刀;产线自动化生产,质量稳定可靠。加工出螺纹光洁度好,尺寸精度合格,尤其是螺纹小径尺寸稳定可控。
加工后 局部图展示
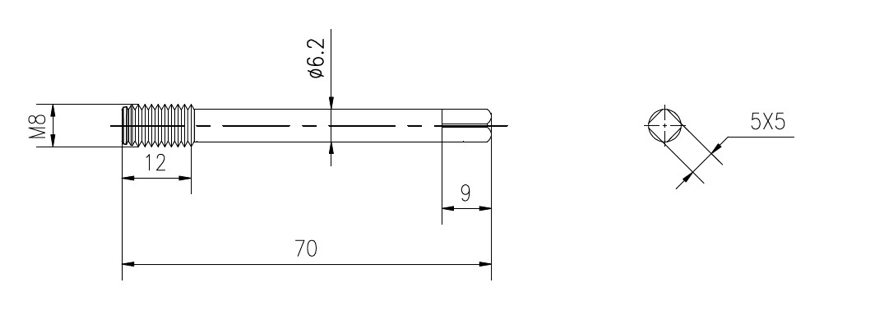
现场加工使用的丝锥
加工设备:哈斯VSS 转速:2500r/min 底孔直径:φ6.9孔深:23 有效螺纹深度:21
工件属性:浇铸铝件
加工内容:4个通孔
切削参数、设备、冷却条件相同
全国服务热线